TÌM HIỂU IC CÔNG SUẤT TỦ LẠNH SIM6822 6822 SIM6822M
IC công suất SIM6822 SIM6822M hiện đang sử dụng rất nhiều điều khiển motor nén trong tủ lạnh, hoặc điều khiển motor quạt, motor bơm của máy giặt, máy sấy, điều hòa.
Hôm nay linhkienst.com cùng các bạn tìm hiểu IC Công suất tủ lạnh SIM6822M SIM6822. Hiện tại linhkienst cung cấp 2 mã SIM6822.
IC Công Suất Tủ Lạnh SIM6822M SIM6822 6822 Mới Chính Hãng 100%
IC Công Suất Tủ Lạnh SIM6822M SIM6822 6822 Nhập Khẩu Nhật 100%

HÌNH ẢNH THỰC TẾ SIM6822M SIM6822
Sơ đồ chân và sơ đồ khối SIM6822M SIM6822

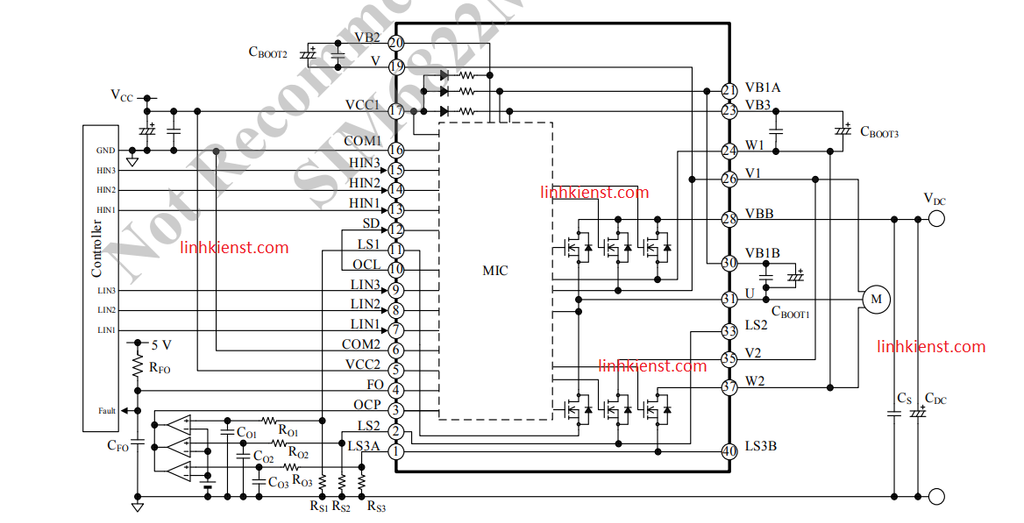
BẢNG TÊN CÁC CHÂN CỦA IC CỐNG SUẤT SIM6822M SIM6822

Mạch ứng dụng sử dụng một điện trở shunt IC Công suất SIM6822M SIM6822

Mạch ứng dụng khác sử dụng 3 điện trở shunt và IC Công suất SIM6822M SIM6822

Xét trong sơ đồ mạch 1 sử dụng một điện trở shunt. Điện áp xoay chiều đầu vào được lọc và chỉnh lưu, tạo ra điện áp một chiều cao Vdc. Điện áp được san phẳng bằng tụ Cs và Cdc. Cực âm qua điện trở Shunt đấu vào chân LS3A(1). Đây là mạch lực để điều khiển động cơ 3 pha. Các chân U(31) V(2) V1(26) W2(37) đấu với ba đầu vào động cơ 3 pha. Các chân V1 đấu vào V2, W1 đấu vào W2.
Các chân VB1B VB1A được đấu với nhau, chân này lấy điện áp từ chân U, sử dụng Diode zener ghim áp khoảng 20Vdc cung cấp nguồn cho mạch Logic bên trong IC Công suất SIM6822.
Chân VB3 cũng tương tự lấy điện áp từ chân W1 và ghim áp 20Vdc cung cấp cho mạch Logic bên trong IC Công suất SIM6822M. chân VB2 và V điện áp khoảng 20Vdc cung cấp mạch Logic SIM6822M.
Chân VCC1(17) đấu với chân VCC2(5). Chân COM1(16) đấu với chân COM2(6). Điện áp giữa chân VCC và COM khoảng 20Vdc cung cấp cho vi xử lý và mạch LOGIC bên trong IC Công suất SIM6822M.
Các chân HIN1 , HIN2, HIN3, LIN1, LIN2, LIN3 là các chân kết nối với vi xử lý, nhận tín hiệu từ vi xử lý để điều khiển tần số đóng cắt 6 IGBT bên trong SIM6822. Đây là công nghệ biến tần điều khiển điện áp và tân số đầu ra cung cấp cho motor 3 pha chạy mượt hơn và tiết kiệm điện hơn.
Chân FO(4) là chân báo tín hiệu lỗi từ SIM6822 về vi xử lý. Phạm vi điện áp ra của chân FO(4) từ -0.5V đến 7V . Ở trang thái hoạt động binh thường không có lỗi xảy ra thì điện áp tại chân FO(4) thấp nhất là 4.8V .
Nhận xét
Đăng nhận xét